Note de ce sujet :
  • Moyenne : 3 (2 vote(s))
  • 1
  • 2
  • 3
  • 4
  • 5
des capa pour mes kappa ?
Hello, merci pour ces partages et bonne continuation Smile Big Grin Angel
Pluie du matin n'arrête pas le sous-marin
Magnifique la perception tri-dimensionnelle Gonzo ! Heart

L'imprimante et le CD dedans y fallait penser à ça ! J'ai rigooolé Big Grin

*Big Grin

J'y jetterai bien une oreille quand je viendrai dans le nord.

Bises ! A bientôt mon ami et bonne écoute.

Salut à Bernard, Salut à tous. Wink
[Image: Polish-20250411-020249697.png]
 Chez moi                                                                                                     Rencontres
salut à tous

salut Bernard
c' est moi qui te remercie [Image: sjd9.gif]

salut Laurent , lolo et VDGG
[Image: 017u.gif]

Citation :tu aurais pu lui répondre que ça existait depuis longtemps, on peut le faire de deux façon différentes ... Rolleyes


ha ,effectivement ...
surtout en sachant qu'elle est peut-être  compatible Smile 

vue que c 'est une imprimante ""laser ""[Image: wc4g.gif]
[Image: h2jn.png]

Big Grin

ok ...je sors  [Image: 4led.gif]


 ps
un peu hors sujet Angel  mais je reviens sur la possibilité d 'écoutes comparative At home ,entre la partie Dac /pré- ampli d' un lecteur Wadia 21 I  vs un Topping d70

entre les deux ,la restitution est (évidement ) différente , avec le Toppiing , elle me semble plus "claire " et permet aussi une meilleur restitution  des détails
et de l 'autre coté , je dirais ...que j 'y gagne en présence avec , comme on peut le dire , de la chaire sur l' os  ,quelque chose qui me semble plus vivant , plus naturel ,surtout au niveaux des voix, cela   associé  à un grave que je trouve plus profond et nuancé
quelque chose qui de mon point de vue me convient mieux , d 'après mes gouts ,ma perception et qui me semble    plus musical 

entre parenthèse , avec cette source cd (Wadia ) , la possibilité d' atténuer le " haut" tweeter ne m'est plus utile Angel


musicalement JP
my systeme "Phifi"
 source ,Wadia 21 I ;Bi -amplification : Nakamichi Pa 7
 enceintes Infinity Kappa 9a
 Dcx 24/96 modifié 
caissons Diy sur base 33 Focal associés à un  Pioneer M90a
diffusion au plafond , hp diy ( Focal ) asservi par un Harman Kardon 7300 (mode logic 7 )
gestion des différents niveaux , pré MSB Technology
câble hp et secteur Diy







C'est surtout tes enceintes qui sont (je suppose) transfigurées !

Les petites boîtes c'est, comme dit mon médecin, de la pisse de chat Big Grin
[Image: Polish-20250411-020249697.png]
 Chez moi                                                                                                     Rencontres
Etonnement JP t’es un fou furieux avec la patience d’un sage tu m’épates bravo  Drink

Par contre t’as oublié de me remercier pour avoir été le seul à entendre que tes super tweeters ne fonctionnait pas  Rire Je suis peut-être le plus sourd et pourtant j’ai entendu  Angel
salut David ,mon ami
de retour de week end
[Image: d817.gif]
même si j' ai souvent mis les gaz....... Shy
 excuse pour le retard [Image: 317274826.gif]



le plus ""sourd"" des deux ..??  
pour éviter  un possible malentendu ...ce qui serait un comble entre "sourds "Smile
à mon avis tu as des Zoreilles en or [Image: sjd9.gif]
mon erreur est  que je n' ai pas  assez tendu   l' oreille l' hors de  ta remarque


genre ,au bout de quelque minutes d 'écoute... " t'aurais pas  un blem sur tes  super tweeter "

honte à moi Pasvoir je n' ai plus qu'a me cacher au font de ma cabane .... Big Grin
my systeme "Phifi"
 source ,Wadia 21 I ;Bi -amplification : Nakamichi Pa 7
 enceintes Infinity Kappa 9a
 Dcx 24/96 modifié 
caissons Diy sur base 33 Focal associés à un  Pioneer M90a
diffusion au plafond , hp diy ( Focal ) asservi par un Harman Kardon 7300 (mode logic 7 )
gestion des différents niveaux , pré MSB Technology
câble hp et secteur Diy







.salut à tous 


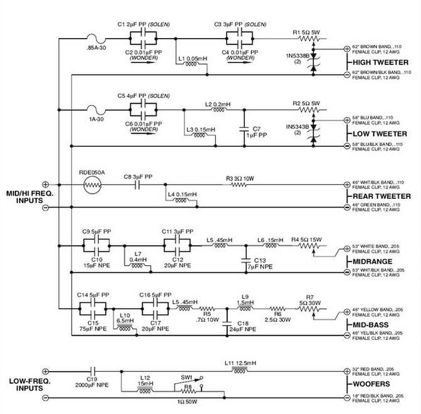
ce matin ,faisant du rangement ,je suis retombé sur mes anciens filtres ,me  demandant même ce que j 'allais en faire ? 

et par curiosité , j 'ai sortie la pince coupante afin de  désolidarisé le filtre de son support pour moi voir comment c' était foutu de l 'autre coté du circuit imprimé 

sans surprise , beaucoup de selfs y sont présente ,d' ailleurs très proche les une des autre 
puis... je remarque qu'il y a  condo d'une valeur indiqué de 100 µF 

[Image: wk1n.jpg]

100 µF  !!! une valeur qui ,quant j 'ai refait mes filtres ,qui ne me dit rien du tout ???????? 

je ressors donc  le schéma dispo sur le net 
et comme je m 'en douté ,il n' y a pas de présent de condo de  100 µF 
[Image: qv7s.png]


je regarde l 'autre ancien filtre et trouve le même condo 

à l'aide d 'un multimetre , j 'ai vérifié l' ensemble des anciens filtre  ,tout est ok ,mise à part ce foutu condo de  100 µF en lieu et place d 'un 20µF sur la partie filtrage du bas medium 
(80µF de différence !!! )
[Image: ruom.png]

ceux qui aurait réalisé ces filtres ce seraient trompé de valeur ???  
je décide de couper une patte du condo pour regarder si il y a quelque chose d 'indiqué sur le PCB 
et là , je lis ... 100 µF!

[Image: p52s.jpg]

sur le net , j 'ai trouvé une image avec ce même condo 

[Image: efx7.jpg]
tirée de http://top-audio.de/service/hl-refreshin...ng-k9a.htm

non de Zeus  Huh

intrigué je suis  Dodgy

y aurait il eu une erreur sur le schéma qui est dispo depuis de nombreuse années sur le site Infinity classic http://www.infinity-classics.de/

ou plusieurs versions de ce filtre ? 

je m 'interroge ...
 notamment sur  quelle importance  pourrait avoir ce changement en passant  de 20 à 100 µF  
surtout que devant , en amont  , il y a déjà de présent deux condos , un de 5 et un 75 µF

si une bonne âme peut  se dévouer pour faire une simulation , je suis preneur 
[Image: sjd9.gif]







[url=https://zupimages.net/viewer.php?id=26/07/efx7.jpg][/url]
my systeme "Phifi"
 source ,Wadia 21 I ;Bi -amplification : Nakamichi Pa 7
 enceintes Infinity Kappa 9a
 Dcx 24/96 modifié 
caissons Diy sur base 33 Focal associés à un  Pioneer M90a
diffusion au plafond , hp diy ( Focal ) asservi par un Harman Kardon 7300 (mode logic 7 )
gestion des différents niveaux , pré MSB Technology
câble hp et secteur Diy







J'ai mis des hp de 8 ohms et 90db de façon arbitraire, c'est juste pour la simulation !

Donc, sauf erreur de ma part, pour ce filtre à 18db/octave : la bonne valeur est bien 100 + 5 = 105µF, car 20 + 5 = 25µF donne une résonance au niveau du filtre passe-haut !!! Il faut en principe que le deuxième condo soit égal ou supérieur au premier, donc égal ou au dessus de tes 80µF initiaux.

Tu peux essayer soit en remplaçant ton 20µF par ce 100µF ou alors rajouter 80µF à ton 20µF actuels  Wink


mieux qu'un long discours, la courbe verte avec ton condo de 20µF (25), la bleue avec le 100µF (105) :


Edit : modification du schéma suite à la remarque de Jean-Paul ci-dessous, merci  Bravo
 [Image: GONZO-Filtre.jpg]


A mon sens : il y a une erreur sur le schéma, le montage avec le 100µF est bon.

On va attendre la confirmation d'autres membres du forum  Top  


Angel
Vinyle Technics SL-1210G - Yamamoto HS-1A - Goldring 1042 MM - Musical Fidelity M6x VINYL
Numérique TASCAM CD-200SB - DAB+ radio Internet FM USB Fitzwilliam - DAC Cambridge DACMAGIC 1
Amplification PARASOUND HALO P6 - t.amp S-75 MK II (grave) - Cary SLi50 (médium-aigu)
Ecoutes Klipsch Cornwall III (Faital Pro HF10AK - B&C DE120) - HifiMan SUNDARA - DT990
Tu as un point rouge sur ton schéma, la self du bas n'est pas raccordée.
Atoll CD400SE/ Atoll IN400SE/ Thechnics 1200GR/ Lehman black cube SE/ Enceintes DIY, et d'autres trucs.
Hello, 
Je l'ai faite aussi.
[Image: simukappagonzo3432988040836077722.jpg]
Avec 20 uF, le passe-bas est à 168 Hz, tandis qu'avec 100 uF, il est à 116 Hz, donc tout dépend du woofer au-dessous
Pluie du matin n'arrête pas le sous-marin


Sujets apparemment similaires…
Sujet Auteur Réponses Affichages Dernier message
  Polydomes Infinity Kappa Rion 8 1,709 01-20-2026, 06:32 PM
Dernier message: gonzo

Atteindre :


Utilisateur(s) parcourant ce sujet : 2 visiteur(s)