Note de ce sujet :
  • Moyenne : 0 (0 vote(s))
  • 1
  • 2
  • 3
  • 4
  • 5
Krell 250a3 en panne
#1
Bonsoir Messieurs
Mon 3 canneaux KRELL est en panne !
L'étage de puissance du canal droit est inopérant.
J'avais trouvé un réparateur, mais après changement des composants, il est bloqué car s'il se remet en route, il se met en sécu !
J'avais contacté (enfin essayé) KRELL au US pour la forme, mais mon courriel demandant s'il était possible d'avoir les schémas électriques est resté sans réponse.
Pas vraiment étonnant en soi, mais pénible en cas de panne.
Aussi , je vais avoir le bonheur de récupérer mon ampli mais non réparé !
D'où le post du soir, connaissez vous quelqu'un de sérieux ou qu'il puisse être pour pouvoir prendre en charge un tel monstre ?
Merci pour vos éclairages.
#2
salut 

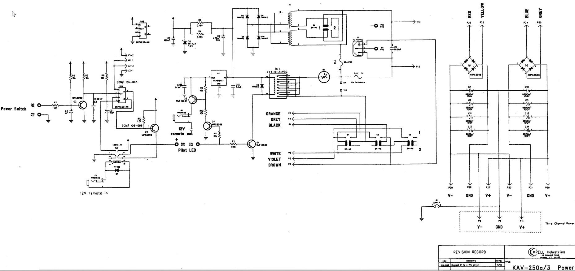
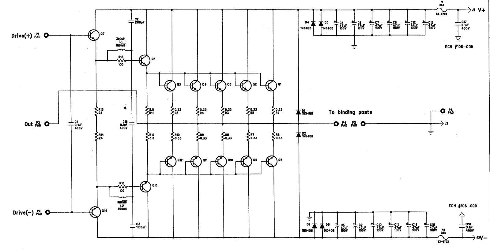
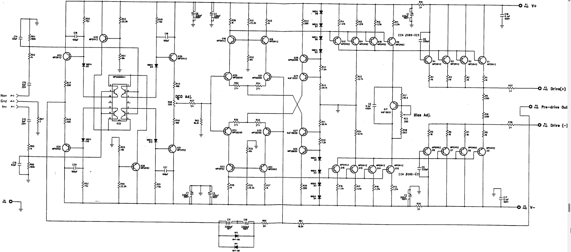
voici les schémas qui pourront aider ton réparateur 

https://zupimages.net/up/26/11/6sd6.png

https://zupimages.net/up/26/11/ps8z.png

https://zupimages.net/up/26/11/tmk5.png

https://zupimages.net/up/26/11/czsp.png

https://zupimages.net/up/26/11/mf1a.png
my systeme "Phifi"
 source ,Wadia 21 I ;Bi -amplification : Nakamichi Pa 7
 enceintes Infinity Kappa 9a
 Dcx 24/96 modifié 
caissons Diy sur base 33 Focal associés à un  Pioneer M90a
diffusion au plafond , hp diy ( Focal ) asservi par un Harman Kardon 7300 (mode logic 7 )
gestion des différents niveaux , pré MSB Technology
câble hp et secteur Diy







#3
Qu'en pense l'importateur s'il existe?


Sujets apparemment similaires…
Sujet Auteur Réponses Affichages Dernier message
  panne de son Harman Kardon 3770 roscoff 1 2,045 04-22-2024, 01:05 PM
Dernier message: Alain1956
  KRELL showcase problème brugau 2 4,864 07-04-2020, 09:07 PM
Dernier message: brugau

Atteindre :


Utilisateur(s) parcourant ce sujet : 2 visiteur(s)